- Главная /
- Насосные станции перекачки стоков на ГФУ
Насосные станции перекачки стоков на ГФУ
Назначение:
Насосные станции перекачки стоков на ГФУ предназначены для обеспечения подачи производственно-дождевых стоков для сжигания на горизонтальной факельной установке.
Комплектность:
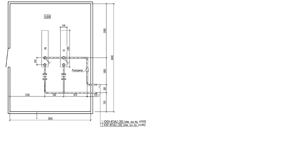
Насосная станция представляет собой блочное изделие полного заводского изготовления с габаритными размерами 3х4 м.
Насосные станции оборудованы:
- насосными агрегатами;
- запорной арматурой, обратными клапанами на трубопроводах;
- расходомером;
- площадками обслуживания с лестничными маршами;
- комплектом средств автоматизации;
- электроснабжения;
- вентиляции;
- водоснабжения;
- канализации;
- отопления (электрического или водяного).

Рис.1 Общий вид станций для перекачки стоков на ГФУ
ООО «Энерголит» изготавливает насосные станции IV, III и II класса огнестойкости.
Блоки, производимые ООО «Энерголит» выдерживают нагрузку от воздействия ударной волны до 8 кПа, а при специальной подготовке до 12 кПа.
Размеры модулей, планировка, комплектация и внутренняя отделка блоков могут быть индивидуальными, согласно техническим требованиям Заказчика.
Ресурсы компании ООО «Энерголит» позволяют разрабатывать рабочую конструкторскую документацию и проводить её согласование с Проектными Институтами Заказчика и Заказчиком.

Член союза производителей нефтегазового оборудования
Член торгово-промышленной палаты РФ
info@energolit.ru